
| Inquiry | Bearing NO. |
Principal dimensions (mm) |
Details | ||||
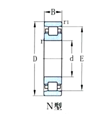
| d | D | B | rmin | r1min | |||
| |
2319E N319E | 95 | 200 | 45 | 3 | 3 | |
| |
42319E NJ319E | 95 | 200 | 45 | 3 | 3 | |
| |
32319E NU319E | 95 | 200 | 45 | 3 | 3 | |
| |
2319 N319 | 95 | 200 | 45 | 3 | 3 | |
| |
32319 NU319 | 95 | 200 | 45 | 3 | 3 | |
| |
42319 NJ319 | 95 | 200 | 45 | 3 | 3 | |
| |
32619 NU2319 | 95 | 200 | 67 | 3 | 3 | |
| |
32619E NU2319E | 95 | 200 | 67 | 3 | 3 | |
| |
32619Q NU2319Q1 | 95 | 200 | 67 | 3 | 3 | |
| |
42619 NJ2319 | 95 | 200 | 67 | 3 | 3 | |
| |
42619E NJ2319E | 95 | 200 | 67 | 3 | 3 | |
| |
2419 N419 | 95 | 240 | 55 | 4 | 4 | |
| |
32419 NU419 | 95 | 240 | 55 | 4 | 4 | |
| |
42419 NJ419 | 95 | 240 | 55 | 4 | 4 | |
| |
92419 NUP419 | 95 | 240 | 55 | 4 | 4 | |
| |
2220 N220 | 100 | 180 | 34 | 2.1 | 2.1 | |
| |
12220 NF220 | 100 | 180 | 34 | 2.1 | 2.1 | |
| |
42220 NJ220 | 100 | 180 | 34 | 2.1 | 2.1 | |
| |
32220 NU220 | 100 | 180 | 34 | 2.1 | 2.1 | |
| |
32220Q NU220Q1 | 100 | 180 | 34 | 2.1 | 2.1 | |
Mobile Website
Wechat Platform
Wafangdian Guangyang
Bearing Group Co., Ltd.
Equipment & Capability
Copyright@2017Wafangdian Guangyang Bearing Group Co., Ltd.