
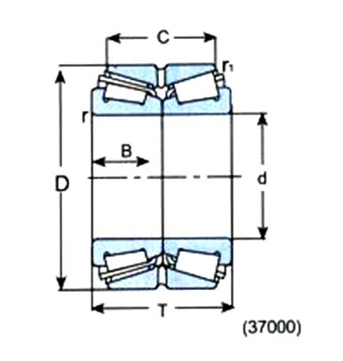
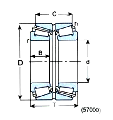
| 询购 | 型号 | 基本尺寸 (mm) | 详情 | ||||
| d | D | T | C | B | |||
| |
2097164 352064X2 | 320 | 480 | 220 | 186 | 100 | |
| |
2097968 352968X2 | 340 | 460 | 160 | 128 | 72 | |
| |
1097768 351168 | 340 | 580 | 242 | 170 | 106 | |
| |
2097972 352972X2 | 360 | 480 | 160 | 128 | 72 | |
| |
97872 351072X2 | 360 | 540 | 169 | 134 | 70 | |
| |
97172 351072 | 360 | 540 | 185 | 140 | 82 | |
| |
1097772 351172 | 360 | 600 | 242 | 170 | 106 | |
| |
1097976 351976 | 380 | 520 | 145 | 105 | 65 | |
| |
97176 351076 | 380 | 560 | 190 | 140 | 82 | |
| |
1097776 351176 | 380 | 620 | 242 | 170 | 106 | |
| |
351080 | 400 | 600 | 206 | 150 | 90 | |
| |
1097780 351180 | 400 | 650 | 255 | 180 | 112 | |
| |
97184 351084 | 420 | 620 | 206 | 150 | 90 | |
| |
373184 | 420 | 700 | 224 | 86 | 224 | |
| |
1097784 351184 | 420 | 700 | 275 | 200 | 122 | |
| |
1097996 351996 | 480 | 650 | 180 | 130 | 78 | |
| |
971/500 3510/500 | 500 | 720 | 236 | 180 | 100 | |
| |
10979/500S 3519/500/HC | 500 | 670 | 180 | 130 | 78 | |
版权@2017瓦房店光阳轴承股份有限公司 辽ICP备19015531号-1