
| Inquiry | Bearing NO. |
Principal dimensions mm |
Other Dimensions mm | Details | |||
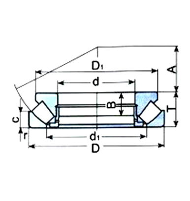
| d | D | T | d1 | D1 | |||
| |
9039330 29330 | 150 | 250 | 60 | 194 | 240 | |
| |
9039430 29430 | 150 | 300 | 90 | 214 | 275 | |
| |
9039332 29332 | 160 | 270 | 67 | 205 | 249.6 | |
| |
9039432 29432 | 160 | 320 | 95 | 220.5 | 290 | |
| |
9039434 29434 | 170 | 340 | 103 | 235 | 305 | |
| |
9039236 29236 | 180 | 250 | 42 | 209 | 239 | |
| |
9039336 29336 | 180 | 300 | 73 | 229 | 275 | |
| |
9039436 29436 | 180 | 360 | 109 | 249.5 | 326 | |
| |
9039438 29438 | 190 | 380 | 115 | 263 | 345 | |
| |
9039340 29340 | 200 | 340 | 85 | 256 | 315.6 | |
| |
9039440 29440 | 200 | 400 | 122 | 276.5 | 360 | |
| |
9039344 29344 | 220 | 360 | 85 | 278.5 | 333.3 | |
| |
9039244 29244 | 220 | 300 | 48 | 258 | 287 | |
| |
9039248 29248 | 240 | 340 | 60 | 283 | 325 | |
| |
9039348 29348 | 240 | 380 | 85 | 300 | 354 | |
| |
9039448 29448 | 240 | 440 | 122 | 316 | 400 | |
Mobile Website
Wechat Platform
Wafangdian Guangyang
Bearing Group Co., Ltd.
Equipment & Capability
Copyright@2017Wafangdian Guangyang Bearing Group Co., Ltd.