
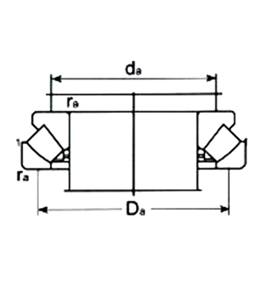
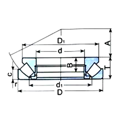
| 询购 | 型号 | 基本尺寸 (mm) | 其它尺寸 (mm) | 详情 | |||
| d | D | T | d1 | D1 | |||
| |
9039252 29252 | 260 | 360 | 60 | 302 | 340 | |
| |
9039352 29352 | 260 | 420 | 95 | 327.5 | 392.3 | |
| |
9039452 29452 | 260 | 480 | 132 | 342 | 441 | |
| |
9039256 29256 | 280 | 380 | 60 | 322.5 | 364 | |
| |
9039356 29356 | 280 | 440 | 95 | 346 | 411 | |
| |
9039260 29260 | 300 | 420 | 73 | 353 | 398 | |
| |
9039360 29360 | 300 | 480 | 109 | 379 | 450 | |
| |
9039364 29364 | 320 | 500 | 109 | 393 | 468 | |
| |
9039464 29464 | 320 | 580 | 155 | 421 | 525 | |
| |
9039468 29468 | 340 | 620 | 170 | 449.5 | 560 | |
| |
9039376 29376 | 380 | 600 | 132 | 475 | 561 | |
| |
9039472 29472 | 360 | 640 | 170 | 468.5 | 589 | |
| |
9039280 29280 | 400 | 540 | 85 | 460 | 510 | |
| |
9039380 29380 | 400 | 620 | 132 | 489 | 582 | |
| |
9039480 29480 | 400 | 710 | 185 | 529.5 | 652 | |
| |
9039384 29384 | 420 | 650 | 140 | 514.5 | 610 | |
| |
9039488 29488 | 440 | 780 | 206 | 577 | 710 | |
版权@2017瓦房店光阳轴承股份有限公司 辽ICP备19015531号-1