
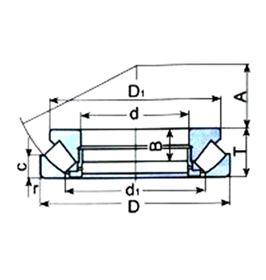
| 询购 | 型号 | 基本尺寸 (mm) | 其它尺寸 (mm) | 详情 | |||
| d | D | T | d1 | D1 | |||
| |
9069330 | 150 | 250 | 60 | 188 | 232 | |
| |
9069430 | 150 | 300 | 90 | 220 | 270 | |
| |
9069332 | 160 | 270 | 67 | 200 | 248 | |
| |
9069432 | 160 | 320 | 95 | 234 | 275 | |
| |
9069434 | 170 | 340 | 103 | 243 | 310 | |
| |
9069336 | 180 | 300 | 73 | 230 | 276 | |
| |
9069436 | 180 | 360 | 109 | 265 | 308 | |
| |
9069238 | 190 | 270 | 48 | 226 | 255 | |
| |
9069340 | 200 | 340 | 85 | 250 | 310 | |
| |
9069440 | 200 | 400 | 122 | 280 | 356 | |
| |
9069444 | 220 | 420 | 122 | 308 | 390 | |
| |
9069244 | 220 | 300 | 48 | 260 | 286 | |
| |
9069248 | 240 | 340 | 60 | 283 | 322 | |
| |
3069448 | 240 | 440 | 122 | 330 | 400 | |
| |
9069252 | 260 | 360 | 60 | 308 | 340 | |
版权@2017瓦房店光阳轴承股份有限公司 辽ICP备19015531号-1