
| 询购 | 型号 | 基本尺寸 (mm) | 详情 | ||||
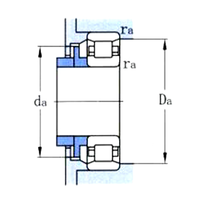
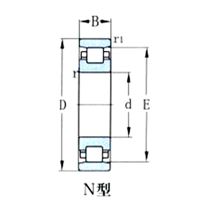
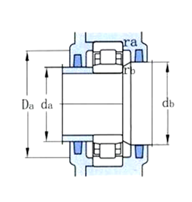
| d | D | B | rmin | r1min | |||
| |
7002132 N0032 | 160 | 240 | 25 | 1.5 | 1.5 | |
| |
42132 NJ1032 | 160 | 240 | 38 | 2.1 | 1.5 | |
| |
32132 NU1032 | 160 | 240 | 38 | 2.1 | 2.1 | |
| |
32132Q NU1032Q1 | 160 | 240 | 38 | 2.1 | 2.1 | |
| |
2232 N232 | 160 | 290 | 48 | 3 | 3 | |
| |
2232E N232E | 160 | 290 | 48 | 3 | 3 | |
| |
32232 NU232 | 160 | 290 | 48 | 3 | 3 | |
| |
32232E NU232E | 160 | 290 | 48 | 3 | 3 | |
| |
32232EQ NU232EQ1 | 160 | 290 | 48 | 3 | 3 | |
| |
42232 NJ232 | 160 | 290 | 48 | 3 | 3 | |
| |
42232E NJ232E | 160 | 290 | 48 | 3 | 3 | |
| |
92232 NUP232 | 160 | 290 | 48 | 3 | 3 | |
| |
32532 NU2232 | 160 | 290 | 80 | 3 | 3 | |
| |
32532E NU2232E | 160 | 290 | 80 | 3 | 3 | |
| |
32532W NU2232F1 | 160 | 290 | 80 | 3 | 3 | |
| |
42532E NJ2232E | 160 | 290 | 80 | 3 | 3 | |
| |
42532 NJ2232 | 160 | 290 | 80 | 3 | 3 | |
| |
32732 | 160 | 310 | 108 | 4 | 4 | |
| |
2332 N332 | 160 | 340 | 68 | 4 | 4 | |
版权@2017瓦房店光阳轴承股份有限公司 辽ICP备19015531号-1