
| 询购 | 型号 | 基本尺寸 (mm) | 详情 | ||||
| d | D | 2B | r1.2min | r3.4min | |||
| |
246309 7309AC/DB | 45 | 100 | 50 | 1.5 | 0.6 | |
| |
266309G 7309B/DB | 45 | 100 | 50 | 1.5 | 0.6 | |
| |
246310 7310AC/DB | 50 | 110 | 54 | 2 | 1 | |
| |
266310 7310B/DB | 50 | 110 | 54 | 2 | 1 | |
| |
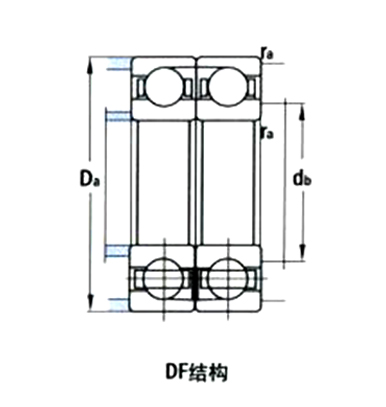
366310K 7310B/DF | 50 | 110 | 54 | 2 | 2 | |
| |
336310 7310C/DF | 50 | 110 | 54 | 2 | 2 | |
| |
246111 7011AC/DB | 55 | 90 | 36 | 1.1 | 0.6 | |
| |
266311 7311B/DB | 55 | 120 | 58 | 2 | 1 | |
| |
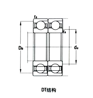
436212 7212C/DT | 60 | 110 | 44 | 1.5 | 0.6 | |
| |
246312 7312AC/DB | 60 | 130 | 62 | 2.1 | 1.1 | |
| |
445113 7013AC/DT | 65 | 100 | 36 | 1.1 | 0.6 | |
| |
246213 7213AC/DB | 65 | 120 | 46 | 1.5 | 0.6 | |
| |
246313 7313AC/DB | 65 | 140 | 66 | 2.1 | 1.1 | |
| |
246314 7314AC/DB | 70 | 150 | 70 | 2.1 | 1.1 | |
| |
346314 7314AC/DF | 70 | 150 | 70 | 2.1 | 2.1 | |
| |
266314 7314B/DB | 70 | 150 | 70 | 2.1 | 1.1 | |
| |
266215 7215B/DB | 75 | 130 | 50 | 1.5 | 0.6 | |
版权@2017瓦房店光阳轴承股份有限公司 辽ICP备19015531号-1