
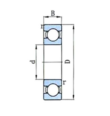
| 询购 | 型号 | 基本尺寸 (mm) | 基本额定负荷 (kN) | 详情 | |||
| d | D | B | rmin | Cr | |||
| |
1/710 60/710M | 710 | 1030 | 140 | 7.5 | 935 | |
| |
10008/710 618/710M | 710 | 870 | 74 | 4 | 456 | |
| |
10008/750 618/750M | 750 | 920 | 78 | 5 | 650 | |
| |
10008/800 618/800M | 800 | 980 | 82 | 4 | 559 | |
| |
7000/800 160/800X2 | 800 | 1150 | 115 | 7.5 | 950 | |
| |
10008/850 618/850M | 850 | 1030 | 82 | 5 | 545 | |
| |
10008/900 618/900M | 900 | 1090 | 85 | 5 | 600 | |
| |
10008/950 618/950M | 950 | 1150 | 90 | 7.5 | 611 | |
| |
10008/1000 618/1000M | 1000 | 1220 | 100 | 6 | 680 | |
| |
10008/1060 618/1060M | 1060 | 1280 | 100 | 6 | 730 | |
| |
10008/1180 618/1180M | 1180 | 1420 | 106 | 6 | 920 | |
| |
10008/1240 618/1240X1M | 1240 | 1480 | 112 | 6 | 930 | |
版权@2017瓦房店光阳轴承股份有限公司 辽ICP备19015531号-1