
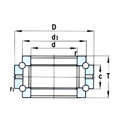
| 询购 | 型号 | 基本尺寸 (mm) | 详情 | ||||
| d | D | T | C | rmin | |||
| |
2268120 234420 | 100 | 150 | 60 | 30 | 2 | |
| |
234920 | 100 | 140 | 48 | 24 | 1 | |
| |
2268121 234421 | 105 | 160 | 66 | 33 | 2 | |
| |
234921 | 105 | 145 | 48 | 24 | 1 | |
| |
2268122 234422 | 110 | 170 | 72 | 36 | 2 | |
| |
234922 | 110 | 150 | 48 | 24 | 1 | |
| |
2268124 234424 | 120 | 180 | 72 | 36 | 2 | |
| |
234924 | 120 | 165 | 54 | 27 | 1 | |
| |
2268130 234430 | 150 | 225 | 90 | 45 | 2.1 | |
| |
234930 | 150 | 210 | 72 | 36 | 2 | |
| |
2268132 234432 | 160 | 240 | 96 | 48 | 2.1 | |
| |
2268134 234434 | 170 | 260 | 108 | 54 | 2.5 | |
| |
234934 | 170 | 230 | 72 | 36 | 2 | |
版权@2017瓦房店光阳轴承股份有限公司 辽ICP备19015531号-1