
| Inquiry | Bearing NO. |
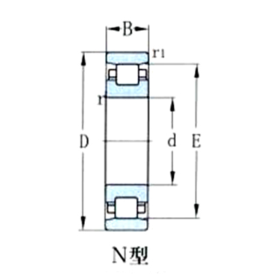
Principal dimensions (mm) |
Details | ||||
| d | D | B | rmin | r1min | |||
| |
42530E NJ2230E | 150 | 270 | 73 | 3 | 3 | |
| |
42530 NJ2230 | 150 | 270 | 73 | 3 | 3 | |
| |
32530E NU2230E | 150 | 270 | 73 | 3 | 3 | |
| |
NU5230 | 150 | 270 | 88.9 | 6.4 | 2.6 | |
| |
502330 RN330 | 150 | 277 | 65 | 4 | 4 | |
| |
2330 N330 | 150 | 320 | 65 | 4 | 4 | |
| |
32330 NU330 | 150 | 320 | 65 | 4 | 4 | |
| |
32330EQ NU330EQ1 | 150 | 320 | 65 | 4 | 4 | |
| |
2330E N230E | 150 | 320 | 65 | 4 | 4 | |
| |
92330E NUP330E | 150 | 320 | 65 | 4 | 4 | |
| |
42330 NJ330 | 150 | 320 | 65 | 4 | 4 | |
| |
42330E NJ330E | 150 | 320 | 65 | 4 | 4 | |
| |
92330 NUP330 | 150 | 320 | 65 | 4 | 4 | |
| |
3042330 NJ3330 | 150 | 320 | 128 | 4 | 4 | |
| |
12630 NF2330 | 150 | 320 | 108 | 4 | 4 | |
| |
32630 NU2330 | 150 | 320 | 108 | 4 | 4 | |
| |
42630 NJ2330 | 150 | 320 | 108 | 4 | 4 | |
| |
2042932 NJ2932 | 160 | 220 | 36 | 2 | 2 | |
Mobile Website
Wechat Platform
Wafangdian Guangyang
Bearing Group Co., Ltd.
Equipment & Capability
Copyright@2017Wafangdian Guangyang Bearing Group Co., Ltd.