
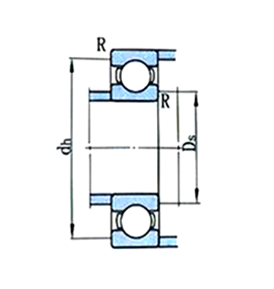
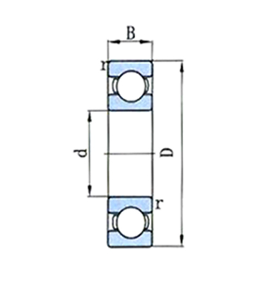
| 询购 | 型号 | 基本尺寸 (mm) | 基本额定负荷 (kN) | 详情 | |||
| d | D | B | rmin | Cr | |||
| |
1000916K 61916 | 80 | 110 | 16 | 1 | 27.5 | |
| |
116K 6016 | 80 | 125 | 22 | 1.1 | 47.5 | |
| |
116 6016M | 80 | 125 | 22 | 1.1 | 47.5 | |
| |
216K 6216 | 80 | 140 | 26 | 1.5 | 71.5 | |
| |
316K 6316 | 80 | 170 | 39 | 2.1 | 125 | |
| |
416K 6416 | 80 | 200 | 48 | 3 | 164 | |
| |
117K 6017 | 85 | 130 | 22 | 1.1 | 47.5 | |
| |
117 6017M | 85 | 130 | 22 | 1.1 | 47.5 | |
| |
217K 6217 | 85 | 150 | 28 | 2 | 84.0 | |
| |
217 6217M | 85 | 150 | 28 | 2 | 84.0 | |
| |
317 6317M | 85 | 180 | 41 | 3 | 102 | |
| |
417K 6417 | 85 | 210 | 52 | 4 | 170 | |
| |
1000918K 61918 | 90 | 125 | 18 | 1.1 | 33.0 | |
| |
1000918 61918M | 90 | 125 | 18 | 1.1 | 33.0 | |
| |
118K 6018 | 90 | 140 | 24 | 1.5 | 58.5 | |
| |
7000118 16018M | 90 | 140 | 16 | 1 | 58.5 | |
| |
118 6018M | 90 | 140 | 24 | 1.5 | 58.5 | |
| |
218K 6218 | 90 | 160 | 30 | 2 | 73.5 | |
| |
318K 6318 | 90 | 190 | 43 | 3 | 144 | |
| |
318 6318M | 90 | 190 | 43 | 5.5 | 144 | |
| |
418 6418M | 90 | 225 | 54 | 4 | 193 | |
版权@2017瓦房店光阳轴承股份有限公司 辽ICP备19015531号-1