
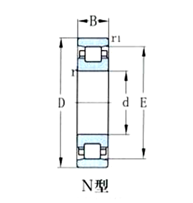
| 询购 | 型号 | 基本尺寸 (mm) | 详情 | ||||
| d | D | B | rmin | r1min | |||
| |
32614E NU2314E | 70 | 150 | 51 | 2.1 | 2.1 | |
| |
42614 NJ2314 | 70 | 150 | 51 | 2.1 | 2.1 | |
| |
42614E NJ2314E | 70 | 150 | 51 | 2.1 | 2.1 | |
| |
2414 N414 | 70 | 180 | 42 | 3 | 3 | |
| |
2414W1 N414F1 | 70 | 180 | 42 | 3 | 3 | |
| |
32414 NU414 | 70 | 180 | 42 | 3 | 3 | |
| |
32414W1 NU414F1 | 70 | 180 | 42 | 3 | 3 | |
| |
42414W1 NJ414F1 | 70 | 180 | 42 | 3 | 3 | |
| |
32115 NU1015 | 75 | 115 | 20 | 1.1 | 1 | |
| |
2215 N215 | 75 | 130 | 25 | 1.5 | 1.5 | |
| |
2215E N215E | 75 | 130 | 25 | 1.5 | 1.5 | |
| |
32215 NU215 | 75 | 130 | 25 | 1.5 | 1.5 | |
| |
32215E NU215E | 75 | 130 | 25 | 1.5 | 1.5 | |
| |
42215 NJ215 | 75 | 130 | 25 | 1.5 | 1.5 | |
| |
42215E NJ215E | 75 | 130 | 25 | 1.5 | 1.5 | |
| |
92515 NUP2215 | 75 | 130 | 30 | 1.5 | 1.5 | |
| |
NU5215 | 75 | 130 | 41.28 | 1.5 | 1.5 | |
| |
42315Q NJ315Q1 | 75 | 160 | 37 | 2.1 | 2.1 | |
| |
2315 N315 | 75 | 160 | 37 | 2.1 | 2.1 | |
| |
2315E N315E | 75 | 160 | 37 | 2.1 | 2.1 | |
版权@2017瓦房店光阳轴承股份有限公司 辽ICP备19015531号-1