
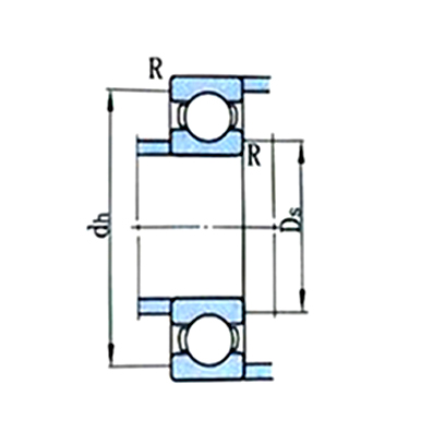
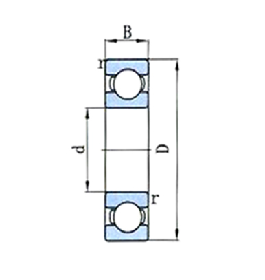
| Inquiry | Bearing NO. | Principal dimensions (mm) | Basic load ratings (kN) | Details | |||
| d | D | B | rmin | Cr | |||
| |
244 6244M | 220 | 400 | 65 | 4 | 297 | |
| |
746 746 | 230 | 329.5 | 40 | 2.1 | 190 | |
| |
1000848 61848M | 240 | 300 | 28 | 2 | 100 | |
| |
1000948 61948M | 240 | 320 | 38 | 2.1 | 155 | |
| |
6048X1M 6048X1M | 240 | 359.5 | 56 | 3 | 255 | |
| |
148 6048M | 240 | 360 | 56 | 3 | 255 | |
| |
7000148 16048M | 240 | 360 | 37 | 2.1 | 170 | |
| |
248 6248M | 240 | 440 | 72 | 4 | 350 | |
| |
1000950 61950M | 250 | 340 | 56 | 2.1 | 173.8 | |
| |
1000852 61852M | 260 | 320 | 28 | 2 | 122 | |
| |
1000952 61952M | 260 | 360 | 46 | 2.1 | 212 | |
| |
62952X1M-1 62952X1M-1 | 260 | 369.5 | 60 | 2.1 | 227 | |
| |
752 752 | 260 | 370 | 46 | 2.1 | 212 | |
| |
152 6052M | 260 | 400 | 65 | 4 | 294 | |
| |
7000152 16052M | 260 | 400 | 44 | 3 | 236 | |
| |
1000856 61856M | 280 | 350 | 33 | 2 | 125 | |
| |
1000956 61956M | 280 | 380 | 46 | 2.1 | 165 | |
| |
61956X1M-2 61956X1M-2 | 280 | 389.5 | 46 | 4 | 215 | |
| |
61956X1M-1 61956X1M-1 | 280 | 390 | 46 | 4 | 215 | |
| |
156 6056M | 280 | 420 | 65 | 4 | 305 | |
Mobile Website
Wechat Platform
Wafangdian Guangyang
Bearing Group Co., Ltd.
Equipment & Capability
Copyright@2017Wafangdian Guangyang Bearing Group Co., Ltd.