
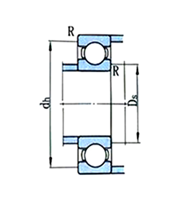
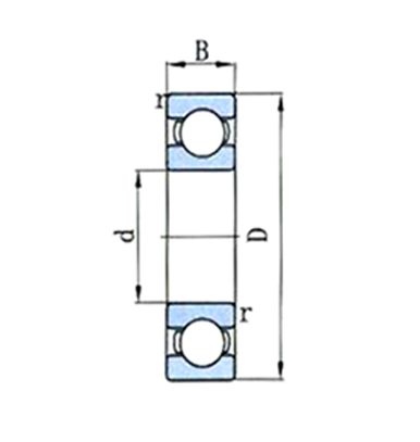
| 询购 | 型号 | 基本尺寸 (mm) | 基本额定负荷 (kN) | 详情 | |||
| d | D | B | rmin | Cr | |||
| |
61819K 1000819 | 95 | 120 | 13 | 1.5 | 19.9 | |
| |
7000119K 16019 | 95 | 145 | 16 | 1 | 40.5 | |
| |
119K 6019 | 95 | 145 | 24 | 1.5 | 78.5 | |
| |
219K 6219 | 95 | 170 | 32 | 2.1 | 110 | |
| |
219 6219M | 95 | 170 | 32 | 2.1 | 110 | |
| |
319K 6319 | 95 | 200 | 45 | 3 | 152 | |
| |
419 6419M | 95 | 240 | 55 | 4 | 204 | |
| |
1000920 61920M | 100 | 140 | 20 | 1.1 | 34.5 | |
| |
1000920K 61920 | 100 | 140 | 20 | 1.1 | 34.5 | |
| |
120K 6020 | 100 | 150 | 24 | 1.5 | 62.5 | |
| |
120 6020M | 100 | 150 | 24 | 1.5 | 62.5 | |
| |
720 720 | 100 | 180 | 28 | 1.8 | 116 | |
| |
220K 6220 | 100 | 180 | 34 | 2.1 | 122 | |
| |
320K 6320 | 100 | 215 | 47 | 3 | 171 | |
| |
320 6320M | 100 | 215 | 47 | 3 | 171 | |
| |
420K 6420 | 100 | 250 | 58 | 4 | 224 | |
| |
420 6420M | 100 | 250 | 58 | 4 | 224 | |
| |
121K 6021 | 105 | 160 | 26 | 2 | 72.8 | |
| |
121 6021M | 105 | 160 | 26 | 2 | 72.8 | |
版权@2017瓦房店光阳轴承股份有限公司 辽ICP备19015531号-1