
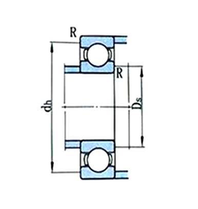
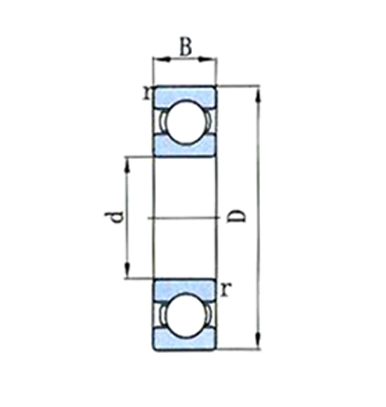
| 询购 | 型号 | 基本尺寸 (mm) | 基本额定负荷 (kN) | 详情 | |||
| d | D | B | rmin | Cr | |||
| |
733 733 | 165 | 250.5 | 35 | 2.5 | 147 | |
| |
1000834 61834M | 170 | 215 | 22 | 1.1 | 65.0 | |
| |
1000934 61934M | 170 | 230 | 28 | 2 | 115 | |
| |
7000134 16034M | 170 | 260 | 28 | 1.5 | 119 | |
| |
134 6034M | 170 | 260 | 42 | 2.1 | 161 | |
| |
134K 6034 | 170 | 260 | 42 | 2.1 | 161 | |
| |
234K 6234 | 170 | 310 | 52 | 4 | 225 | |
| |
234 6234M | 170 | 310 | 52 | 4 | 225 | |
| |
334K 6334 | 170 | 360 | 72 | 4 | 350 | |
| |
334 6334M | 170 | 360 | 72 | 4 | 350 | |
| |
1000836 61836M | 180 | 225 | 22 | 1.1 | 60.0 | |
| |
1000936 61936M | 180 | 250 | 33 | 2 | 118 | |
| |
63936X1M 63936X1M | 180 | 259.5 | 52 | 2 | 140 | |
| |
136K 6036 | 180 | 280 | 46 | 2.1 | 186 | |
| |
136 6036M | 180 | 280 | 46 | 2.1 | 186 | |
| |
7000136K 16036 | 180 | 280 | 31 | 2.1 | 130 | |
| |
236K 6236 | 180 | 320 | 52 | 4 | 240 | |
| |
236 6236M | 180 | 320 | 52 | 4 | 240 | |
| |
1000838 61838M | 190 | 240 | 24 | 1.5 | 73.0 | |
版权@2017瓦房店光阳轴承股份有限公司 辽ICP备19015531号-1