
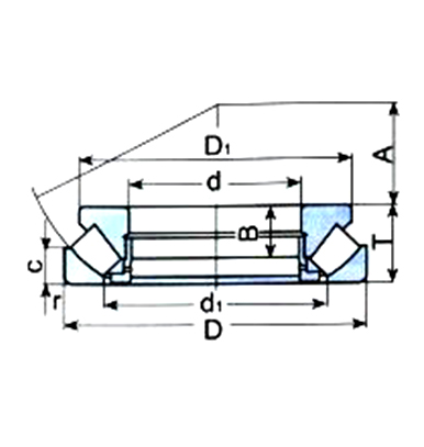
| 询购 | 型号 | 基本尺寸 (mm) | 其它尺寸 (mm) | 详情 | |||
| d | D | T | d1 | D1 | |||
| |
9069452 | 260 | 480 | 132 | 355 | 430 | |
| |
9069356 | 280 | 440 | 95 | 350 | 400 | |
| |
9069456 | 280 | 520 | 145 | 373.5 | 480 | |
| |
9069260 | 300 | 480 | 109 | 737 | 440 | |
| |
9069268 | 340 | 460 | 73 | 388 | 438 | |
| |
9069280 | 400 | 540 | 85 | 460 | 508 | |
| |
9069380 | 400 | 620 | 132 | 490 | 570 | |
| |
9069480 | 400 | 710 | 185 | 534 | 650 | |
| |
9069284 | 420 | 580 | 95 | 489 | 548 | |
| |
90692/500 | 500 | 750 | 150 | 610 | 696 | |
| |
90692/630 | 630 | 850 | 132 | 728 | 800 | |
| |
90692/710 | 710 | 950 | 145 | 805 | 865 | |
| |
90694/750 | 750 | 1280 | 315 | 972 | 1152 | |
版权@2017瓦房店光阳轴承股份有限公司 辽ICP备19015531号-1