
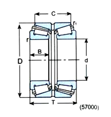
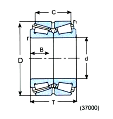
| 询购 | 型号 | 基本尺寸 (mm) | 详情 | ||||
| d | D | T | C | B | |||
| |
352132X2/HA | 160 | 270 | 140 | 120 | 65 | |
| |
352132X2/HAC9 | 160 | 270 | 140 | 120 | 65 | |
| |
37732 350632D1 | 160 | 270 | 140 | 110 | 70 | |
| |
2097732 352132 | 160 | 270 | 150 | 120 | 70 | |
| |
97532E 352232 | 160 | 290 | 178 | 144 | 80 | |
| |
97833U 97833U | 165 | 290 | 150 | 125 | 70 | |
| |
2097934 352934X2 | 170 | 230 | 82 | 65 | 36 | |
| |
87834 87834 | 170 | 230 | 65 | 27 | 65 | |
| |
2097134 352034X2 | 170 | 260 | 120 | 95 | 54 | |
| |
2097734 352134 | 170 | 280 | 150 | 120 | 66 | |
| |
2097936 352936X2 | 180 | 250 | 95 | 74 | 42 | |
| |
2097136 352036X2 | 180 | 280 | 134 | 108 | 60 | |
| |
37736 350636D1 | 180 | 285 | 108 | 79.4 | 54 | |
| |
2097736 352136 | 180 | 300 | 164 | 134 | 72 | |
| |
97536K 97536K | 180 | 320 | 192 | 152 | 86 | |
| |
97536 352236X2 | 180 | 320 | 190 | 145 | 86 | |
| |
97736 350636 | 180 | 340 | 180 | 140 | 83 | |
版权@2017瓦房店光阳轴承股份有限公司 辽ICP备19015531号-1