
| Inquiry | Bearing NO. |
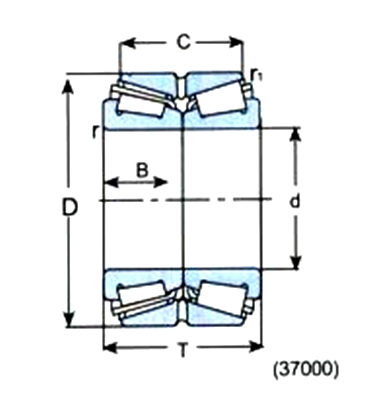
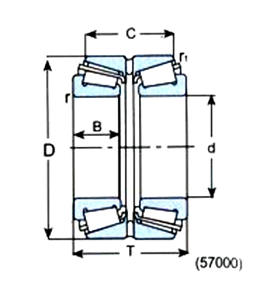
Principal dimensions mm |
Details | ||||
| d | D | T | C | B | |||
| |
97514E 352214 | 70 | 125 | 74 | 61.5 | 31 | |
| |
97515E 352215 | 75 | 130 | 74.5 | 62 | 31 | |
| |
187216 187216 | 80 | 140 | 56.75 | 22 | 52 | |
| |
97516 352216X2 | 80 | 140 | 80 | 65 | 33 | |
| |
97517EK 352217X2 | 85 | 150 | 84 | 66 | 36 | |
| |
97518EK 352218X2 | 90 | 160 | 94 | 78 | 40 | |
| |
97820 97820 | 100 | 180 | 83 | 67 | 34 | |
| |
97520EK 97520EK | 100 | 180 | 111 | 92 | 46 | |
| |
37720 350620D1 | 100 | 190 | 125 | 100 | 62.5 | |
| |
97521EK 97521EK | 105 | 190 | 117 | 96 | 50 | |
| |
2097722 352122 | 110 | 180 | 95 | 76 | 42 | |
| |
97522EK 97522EK | 120 | 200 | 124 | 102 | 53 | |
| |
2097724 352124 | 120 | 200 | 110 | 90 | 48 | |
| |
187224E 187224E | 120 | 215 | 87 | 34 | 80 | |
| |
97524E 352224 | 120 | 215 | 132 | 109 | 58 | |
Mobile Website
Wechat Platform
Wafangdian Guangyang
Bearing Group Co., Ltd.
Equipment & Capability
Copyright@2017Wafangdian Guangyang Bearing Group Co., Ltd.