
| Inquiry | Bearing NO. |
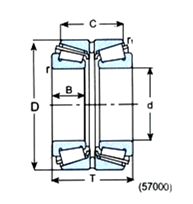
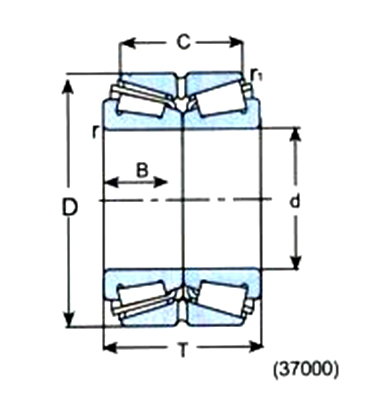
Principal dimensions mm |
Details | ||||
| d | D | T | C | B | |||
| |
2097926 352926X2 | 130 | 180 | 70 | 56 | 30 | |
| |
2097126 352026X2 | 130 | 200 | 95 | 75 | 42 | |
| |
1-7006 1-7006 | 130 | 210 | 64 | 57 | 29 | |
| |
2097726 352126 | 130 | 210 | 110 | 90 | 48 | |
| |
97826U 97826U | 130 | 214 | 115.6 | 98 | 48 | |
| |
97526 352226X2 | 130 | 230 | 149 | 120 | 64 | |
| |
37726 350626D1 | 130 | 235 | 145 | 115 | 72.5 | |
| |
2097128 352028X2 | 140 | 210 | 95 | 75 | 42 | |
| |
2097728 352128 | 140 | 225 | 115 | 90 | 50 | |
| |
97528E 352228 | 140 | 250 | 153 | 125.5 | 68 | |
| |
187328 187328 | 140 | 300 | 154 | 47 | 70 | |
| |
32930/DF 32930/DF | 150 | 210 | 76 | 26 | 38 | |
| |
2097930 352930X2 | 150 | 210 | 80 | 62 | 36 | |
| |
97830 97830 | 150 | 225 | 112 | 88 | 45 | |
| |
2097730 352130 | 150 | 250 | 138 | 112 | 60 | |
| |
97730 97730 | 150 | 270 | 109 | 87 | 45 | |
| |
97530 352230X2 | 150 | 270 | 172 | 138 | 73 | |
| |
2097932 352932X2 | 160 | 220 | 82 | 65 | 36 | |
| |
2097132 352032X2 | 160 | 240 | 115 | 90 | 48 | |
Mobile Website
Wechat Platform
Wafangdian Guangyang
Bearing Group Co., Ltd.
Equipment & Capability
Copyright@2017Wafangdian Guangyang Bearing Group Co., Ltd.